- 商品名稱:安徽天康Y-M衛生型隔膜壓力表
- 添加時間:2020-07-27 15:48:49
介紹:
安(an)徽天康(kang)衛生型隔(ge)(ge)膜壓力(li)表(biao)是由通(tong)用型壓力(li)儀表(biao)與隔(ge)(ge)膜隔(ge)(ge)離器組成一個系統的隔(ge)(ge)膜壓力(li)表(biao)具有(you)在(zai)工(gong)藝現場裝(zhuang)拆快捷方便、不易(yi)污染(ran)、容(rong)易(yi)清(qing)洗、安(an)全可靠等優點(dian)。能滿(man)足(zu)藥品生產質量貴(GMP)的要求。在制藥(yao)、食品、飲(yin)料、水處理等行業對儀表(biao)有衛生要求的工藝流程zg****得到廣泛應用。
安徽天康衛生型(xing)隔膜壓力(li)表主(zhu)要技(ji)術特征:
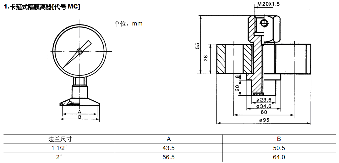
測(ce)量范(fan)圍及型號標示:
型號 | 形式 | 量(liang)程(cheng)上限值(zhi)(MPa) | ||
配抗(kang)震壓力表 | 配(pei)不銹鋼壓力表 | |||
YN-60/MC | Y-60B/Z/MC | MC | 卡(ka)箍式 | 0.6~2.5(法蘭1 1/2”) |
YN-100/MC | Y-100B/Z/MC | 0.4~2.5(法蘭2”) | ||
YN-100/MN | Y-100B/Z/MN | MN | 螺(luo)母式 | 0.4~2.5 |
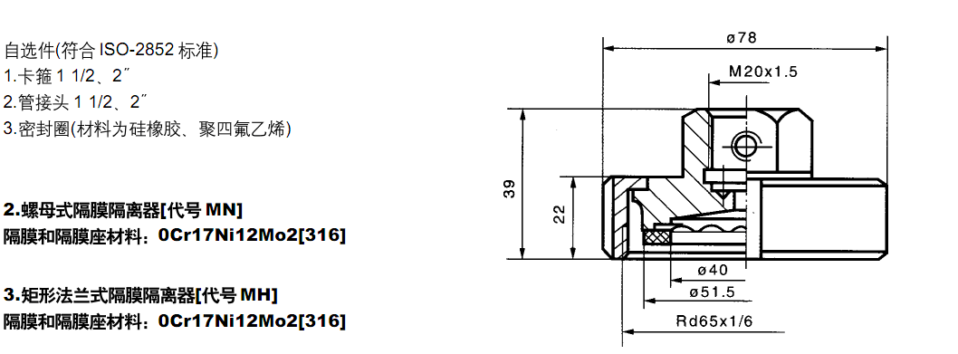
YN-100/MH | Y-100B/Z/MH | MC | 矩形法蘭式(shi)(均(jun)質(zhi)機用) | 10~60 |
注:1、用(yong)戶也可選用(yong)其他通用(yong)型壓力表。
2、壓力表同隔膜(mo)裝置(zhi)連接方(fang)式也可(ke)選用其他形式。
隔膜表(biao)的耐(nai)蝕性:
安徽天康隔膜表的(de)耐蝕性可(ke)通過合適的(de)選擇與測量介質接(jie)觸部分的(de)隔膜、法蘭(lan)及(ji)密封圈的(de)材(cai)料來保證。
隔(ge)膜(mo)材料:316,316L,法蘭(lan)材料:316,316L
密封圈材料:硅(gui)橡膠、聚(ju)四氟乙(yi)烯
密封液(ye)的選擇:
為了保(bao)證(zheng)安(an)(an)徽天級衛生型隔膜壓力(li)表使用的(de)可(ke)靠(kao)性和安(an)(an)全型,根據不同用途、選擇合適的(de)密封液(ye)。
密封液 | 受(shou)壓部 溫(wen)度范圍(wei)℃ | 比重 | 體膨脹 |
甘油水(shui)溶液 | -5~100 | 1~27 | 0.16x10-3 |
丙二醇(chun) | -30~160 | 1.04 | 0.70x10-3 |
植(zhi)物油 | -5~100 | 0.93 | 1.03x10-3 |
隔膜裝(zhuang)置(zhi)法蘭尺寸
- 打印本文
- 瀏覽:
上一篇:無
下一篇:安徽天康膜盒壓力表
